大学MOOC 电工技术(重庆工业职业技术学院)1449410163 最新慕课完整章节测试答案
第一周 电路的基本概念
文章目录
电压及其测量随堂测验
1、单选题:
测量直流电压,通常用万用表的 档。
选项:
A: 直流电流档
B: 交流电压档
C: 电阻档
D: 直流电压档
答案: 【 直流电压档】
2、判断题:
电压差:电压实际上就是两点之间的电位之差。
选项:
A: 正确
B: 错误
答案: 【 正确】
3、判断题:
万用表测电压,是将万用表并接(并联)在被测电路中。
选项:
A: 正确
B: 错误
答案: 【 正确】
4、填空题:
0.2V= mV
答案: 【 200】
5、填空题:
电压的方向:规定 电位指向低电位,即电压降的方向。
答案: 【 高】
电流及其测量单元测验
1、单选题:
某导体在0.5min的时间内通过导体横截面的电荷量为150C,求导体中的电流是多少?
选项:
A: 15A
B: 150A
C: 5A
D: 5mA
答案: 【 5A】
2、多选题:
在我们日常生活中,电流有两大类,分别是 ?
选项:
A: 直流电路DC
B: 瞬时电流
C: 交流电流AC
D: 变动电流
答案: 【 直流电路DC;
交流电流AC】
3、判断题:
电流的定义:是电荷有规则的定向运动形成的电流。
选项:
A: 正确
B: 错误
答案: 【 正确】
4、判断题:
测量电流时,量程的选择从被测电流为满量程的1/2—2/3为宜。
选项:
A: 正确
B: 错误
答案: 【 正确】
5、填空题:
电流的方向:规定 电荷的运动的方向为电流的方向。
答案: 【 正】
电能与电功率随堂测验
1、单选题:
1度电= 。
选项:
A: 1KW
B: 1h
C: 1000kw.h
D: 1kw.h
答案: 【 1kw.h】
2、判断题:
电功率的符号用“P”表示,单位为瓦(W)。在电流、电压关联的参考方向下,电功率计算公式
。
选项:
A: 正确
B: 错误
答案: 【 正确】
3、判断题:
电能:电流所做的功。电流做功的过程实际上就是将电能转换成其他形式的能的过程。如果加在用电器两端的电压为U ,通过用电器的工作电流为I ,则电流所做的功,即电能为W。
选项:
A: 正确
B: 错误
答案: 【 正确】
4、判断题:
电功率:电流在单位时间内所做的功,称为电功率。描述电流做功快慢的物理量
选项:
A: 正确
B: 错误
答案: 【 正确】
5、判断题:
额定值:保证电气设备能长期安全工作所允许的电压、电流和消额定电压、额定电流以及额定功率,又称为铭牌数据额定值
选项:
A: 正确
B: 错误
答案: 【 正确】
电路的基本概念单元测验
1、单选题:
根据经验,通过人体的直流电流超过50mA时,中枢神经就会遭受损害,引起死亡。为了减少触电的危险,对于工作人员经常接触的电气设备,如工作灯、行灯等,都规定了安全工作电压。通常情况下,人体的电阻大约为720Ω,照此计算,安全工作电压为 V.
选项:
A: 40
B: 22
C: 36
D: 110
答案: 【 36】
2、单选题:
当铣床加工到很硬的金属材料时,空气开关容易跳闸,跳闸后,电路处于 状态。
选项:
A: 通路
B: 断路
C: 短路
D: 无法判定
答案: 【 断路】
3、单选题:
以下元件属于电源的是 。
选项:
A: 干电池
B: 电灯泡
C: 电动机
D: 电风扇
答案: 【 干电池】
4、单选题:
测量直流电压通常用万用表的 。
选项:
A: 直流电流档
B: 直流电压档
C: 交流电流档
D: 交流电压档
答案: 【 直流电压档】
5、单选题:
如下图所示,请判断该电路电流值的方向 ?![]()
![]()
选项:
A: 电流值为负
B: 电流值为正
C: 电流值为零
D: 无法判定
答案: 【 电流值为正】
6、多选题:
电流分为两大类,分别是 和 。
选项:
A: 变动电流
B: 直流DC
C: 循环电流
D: 交流AC
答案: 【 直流DC;
交流AC】
7、多选题:
通常电路由 、 、 三部分构成。
选项:
A: 电源
B: 负载
C: 中间环节
D: 电路
答案: 【 电源;
负载;
中间环节】
8、多选题:
电路有哪几种工作状态?
选项:
A: 通路状态
B: 短路状态
C: 断路状态
D: 回路状态
答案: 【 通路状态;
短路状态;
断路状态】
9、判断题:
电场力将单位正电荷从电源的负极转移到正极所做的功称为电动势。
选项:
A: 正确
B: 错误
答案: 【 正确】
10、判断题:
电流的测量:电流表必须串接在被测电路中,使被测电流由电流表的“﹣”接线柱流入,“+”接线柱流出。
选项:
A: 正确
B: 错误
答案: 【 错误】
11、判断题:
短路时通过电路的电流很小。
选项:
A: 正确
B: 错误
答案: 【 错误】
12、判断题:
正电荷或负电荷的定向移动都能形成电流。
选项:
A: 正确
B: 错误
答案: 【 正确】
13、判断题:
电场力将单位正电荷从电源负极转移到正极所做的功称为电动势。
选项:
A: 正确
B: 错误
答案: 【 正确】
14、判断题:
当1A的电流经过一段导体时,测得其电阻为10Ω,因此,当2A电流通过该导体时,其电阻的大小为5Ω。
选项:
A: 正确
B: 错误
答案: 【 正确】
15、判断题:
电路中参考点改变,任意点的电位也随之改变。
选项:
A: 正确
B: 错误
答案: 【 正确】
16、判断题:
电路模型就是由若干个理想元件,按一定规则,用理想的连线连接起来的电流通路。
选项:
A: 正确
B: 错误
答案: 【 正确】
17、填空题:
一般情况下,即干燥而触电危险性较大的环境下,安全电压规定的 V。
答案: 【 36】
18、填空题:
负载:也叫用电器或用电设备,把 转换成其他形式能量的装置。
答案: 【 电能】
19、填空题:
如下图所示,电流电压的参考方向相同时,称为 参考方向。![]()
答案: 【 关联】
20、填空题:
电流的方向:习惯上把 电荷移动的方向规定为电流的正方向。
答案: 【 正】
认识电路随堂测验
1、单选题:
当家里面的用电器短路后,空气开关很容易跳闸,跳闸后,电路处于 状态。
选项:
A: 开路
B: 短路
C: 通路
D: 无法判定
答案: 【 开路】
2、多选题:
一个完整的电路至少包含哪四个部分?
选项:
A: 电源
B: 负载
C: 导线
D: 开关
答案: 【 电源;
负载;
导线;
开关】
3、判断题:
直流电路:由直流电源供电的电路。
选项:
A: 正确
B: 错误
答案: 【 正确】
4、填空题:
电路的定义: 的通路,它是由一些电气元件按一定方式连接而成。
答案: 【 电流】
5、填空题:
负载:也叫用电器或用电设备,把 转换成其它形式能量的装置。
答案: 【 电能】
第二周 电路的基本定律
实际电阻元件的识别与测量随堂检测
1、单选题:
请根据电阻图片识别,电阻阻值 Ω。
![]()
选项:
A: 470
B: 4700
C: 47
D: 4.7
答案: 【 47】
2、单选题:
一个贴片电阻器的表面标有“103”字样,则该电阻器的标称阻值和允许误差分别为 。
选项:
A: 10kΩ、±5%
B: 1kΩ、±1%
C: 10kΩ、±1%
D: 1kΩ、±5%
答案: 【 10kΩ、±5% 】
3、单选题:
一个五色环电阻器,其色环颜色依次为蓝、灰、黑、黑、棕,则其标称阻值和允许误差分别为 。
选项:
A: 68Ω、±5%
B: 680Ω、±5%
C: 680Ω、±1%
D: 68Ω、±1%
答案: 【 680Ω、±1% 】
4、多选题:
电阻器阻值的标注方法有哪些?
选项:
A: 直标法
B: 字母代替法
C: 文字符号法
D: 色环标注法
答案: 【 直标法;
文字符号法;
色环标注法】
5、判断题:
色标法:用不同颜色的色环表示电阻器的标称阻值和允许误差。
选项:
A: 正确
B: 错误
答案: 【 正确】
6、判断题:
电阻定律:在温度不变时,一定材料制成的导体的电阻跟它的长度成正比,跟它的横截面积成正比。
选项:
A: 正确
B: 错误
答案: 【 错误】
7、判断题:
电阻器的主要参数:标称阻值、允许误差和额定功率。
选项:
A: 正确
B: 错误
答案: 【 正确】
8、填空题:
请根据电阻图片,识别电阻的阻值为 Ω。
![]()
答案: 【 560】
9、填空题:
请根据下图所示,请判断电阻器属于 电阻器。
![]()
答案: 【 非线性】
10、填空题:
1kΩ= Ω
答案: 【 1000】
欧姆定律随堂测验
1、单选题:
有一个电阻为0.014Ω、熔断电流为18mA熔断器,问,它熔断时的电压为 uV。
选项:
A: 2.52
B: 25.2
C: 252
D: 0.252
答案: 【 252】
2、单选题:
如图所示,请根据欧姆定律的表达式,求电阻R= Ω。
![]()
选项:
A: -3
B: -12
C: 3
D: 12
答案: 【 3】
3、单选题:
如下图所示,已知
,
,求电流I= 。
![]()
选项:
A: -0.2A
B: 0.2A
C: -0.3A
D: 0.3A
答案: 【 0.2A】
4、单选题:
如下图所示,电压U= V。
![]()
选项:
A: 8
B: 9
C: -9
D: -8
答案: 【 -8】
5、单选题:
电阻元件的电压和电流取关联参考方向时,欧姆定律表达为
选项:
A: I=R/U
B: R=UI
C: U=IR
D: I=-U/R
答案: 【 U=IR】
6、单选题:
当电路中的电流与电压为关联参考方向时,已知I=1A,U=28V,则电路中的电阻R= Ω。
![]()
选项:
A: 28
B: 1
C: 14
D: 280
答案: 【 28】
7、判断题:
欧姆定律不但适用于线性电路,也适用于非线性电路。
选项:
A: 正确
B: 错误
答案: 【 错误】
8、判断题:
线性电阻:电阻阻值不随电压、电流变化而改变的电阻。线性电阻的阻值是一个常数
选项:
A: 正确
B: 错误
答案: 【 正确】
9、填空题:
欧姆定律反映了 元件的伏安关系。
答案: 【 线性电阻】
10、填空题:
如下图所示,电阻元件的阻值为10Ω,电阻元件上给出了电压和电流的参考方向,则电流I= A。
![]()
答案: 【 -4】
电源与电源电动势随堂测验
1、单选题:
一节普通5号电池的额定电压为 V。
选项:
A: 1.5
B: 1
C: 2
D: 3
答案: 【 1.5】
2、判断题:
电源是提供电能的装置,把其他形式的能转换成电能。
选项:
A: 正确
B: 错误
答案: 【 正确】
3、填空题:
如图所示,一节方块电池的额定电压为 V。
![]()
答案: 【 9】
4、填空题:
一块手机锂电池的额定电压为 V。
![]()
答案: 【 3.7】
5、填空题:
两节7号电池相串联,可以得到 V的电压。
答案: 【 3】
电路的基本定律单元测验
1、单选题:
有两根相同材料的电阻丝,其长度之比为1:5,横截面积之比为2:3,求它们的阻值之比 。
选项:
A: 2:15
B: 3:10
C: 3:15
D: 10:3
答案: 【 3:10】
2、单选题:
有一个电阻为0.014Ω、熔断电流为18mA熔断器,问,它熔断时的电压为 uV。
选项:
A: 252
B: 25.2
C: 2.52
D: 0.252
答案: 【 252】
3、单选题:
如图所示,常温下金属电阻器的伏安特性,请判断该电阻器属于那种电阻器?

选项:
A: 常规电阻器
B: 特殊电阻器
C: 线性电阻器
D: 非线性电阻器
答案: 【 线性电阻器】
4、单选题:
当电阻元件的电压和电流取关联参考方向时,欧姆定律表达为?
选项:
A: I=R/U
B: R=UI
C: U=IR
D: I=-U/R
答案: 【 U=IR】
5、单选题:
一个四色环电阻器,其色环颜色依次为棕、黑、棕、金,则其标称阻值和允许误差分别为 。
选项:
A: 100Ω、±5%
B: 1kΩ、±1%
C: 10Ω、±1%
D: 110Ω、±5%
答案: 【 100Ω、±5% 】
6、多选题:
理想电流源的特点有 、 、 。
选项:
A: 通过电流源的电流是定值,与端电压无关
B: 理想电流源可以提供恒定的电压值
C: 电流源的端电压随着与它连接的外电路的不同而不同
D: 理想电流源内阻相当于无穷大
答案: 【 通过电流源的电流是定值,与端电压无关;
电流源的端电压随着与它连接的外电路的不同而不同;
理想电流源内阻相当于无穷大】
7、多选题:
直流理想电压源的特点有 、 、 三种特点。
选项:
A: 它的端电压固定不变,与外界电路无关
B: 通过它的电流取决于它所连接的外电路,是可以改变的
C: 理想电压源内阻为零
D: 理想电压源可以提供无穷大的电压值
答案: 【 它的端电压固定不变,与外界电路无关;
通过它的电流取决于它所连接的外电路,是可以改变的;
理想电压源内阻为零】
8、多选题:
电阻器阻值的标注方法有哪些?
选项:
A: 直标法
B: 字母代替法
C: 文字符号法
D: 色环标注法
答案: 【 直标法;
文字符号法;
色环标注法】
9、判断题:
电阻的伏安特性关系:伏安特性是指电阻元件两端的电压U与通过其电流I的关系。
选项:
A: 正确
B: 错误
答案: 【 正确】
10、判断题:
电导:电阻的倒数称为电导,用符号“G”表示,即:G=1/R
选项:
A: 正确
B: 错误
答案: 【 正确】
11、判断题:
电阻的阻值定义计算式是:R=ρl/s
选项:
A: 正确
B: 错误
答案: 【 正确】
12、填空题:
电阻:电阻就是反映导体对电流起 作用大小的一个物理量,用字母R来表示。
答案: 【 阻碍】
13、填空题:
电阻器的主要特征:电阻器的主要特征是将电能转换为 ,它是一个消耗电功率的元器件,在电阻中主要起调节电流、电压以及将电能转换为热能的作用。
答案: 【 热能】
14、填空题:
请根据下图所示,请判断电阻器属于 电阻器。

答案: 【 非线性】
15、填空题:
欧姆定律反映了 (填写线性电鱼or非线性电阻)元件的伏安关系。
答案: 【 线性电阻】
电阻与电阻器随堂测验
1、单选题:
有一根阻值为1Ω的电阻丝,将它均匀拉长为原来的3倍,拉长后的电阻丝的阻值为 。
选项:
A: 19Ω
B: 1Ω
C: 6Ω
D: 9Ω
答案: 【 9Ω】
2、单选题:
有两根相同材料的电阻丝,其长度之比为1:5,横截面积之比为2:3,求它们的阻值之比 。
选项:
A: 2:15
B: 3:10
C: 3:15
D: 10:3
答案: 【 3:10】
3、多选题:
生活中,常用电阻器主要有哪些?
选项:
A: 碳质电阻器
B: 线绕电阻器
C: 碳膜电阻器
D: 金属膜电阻器
答案: 【 碳质电阻器;
线绕电阻器;
碳膜电阻器;
金属膜电阻器】
4、多选题:
电工材料按照它们导电能力,一般可以分为如下几种?
选项:
A: 导体
B: 半导体
C: 超导体
D: 绝缘体
答案: 【 导体;
半导体;
超导体;
绝缘体】
5、判断题:
电阻的阻值定义计算式是:R=ρl/s
选项:
A: 正确
B: 错误
答案: 【 正确】
6、填空题:
若将一段电阻为R的导线均匀拉长至原来的两倍,其保持横截面积不变,则其电阻值为原来的 倍。
答案: 【 2】
7、填空题:
电阻器的主要特征:电阻器的主要特征是将电能转换为 ,它是一个消耗电功率的元器件,在电阻中主要起调节电流、电压以及将电能转换为热能的作用。
答案: 【 热能】
8、填空题:
电阻:电阻就是反映导体对电流起 作用大小的一个物理量,用字母R来表示。
答案: 【 阻碍】
第三周 电路的等效变换
电路中各电位点的计算随堂测验
1、单选题:
电位差:电路中任意两点之间的电压即为此两点之间的电位差,a、b两点之间的电压可记为 。
选项:
A: Uab=Va
B: Uab=Vb
C: Uab=Vb-Va
D: Uab=Va-Vb
答案: 【 Uab=Va-Vb】
2、单选题:
如下图所示,已知
,
,求电流
= V。

选项:
A: 10
B: 4
C: 6
D: 8
答案: 【 6】
3、单选题:
电路中有A、B两点,其电位分别为φA和φB。则两点之间的电压为 。
选项:
A: φA+φB
B: φA-φB
C: φA*φB
D: φA ÷φB
答案: 【 φA-φB】
4、判断题:
电路中参考点改变,任意点的电位也随之改变。
选项:
A: 正确
B: 错误
答案: 【 正确】
5、判断题:
电路中参考点改变,两点间的电位差也随之改变。
选项:
A: 正确
B: 错误
答案: 【 错误】
6、填空题:
电位:在电路中任选一个 (该点的电位值为零,又称为零电位点),电路中某一点到参考点的电压就称为该点的电位。
答案: 【 参考点】
7、填空题:
如下电路图所示,计算电路图中的φa= V。

答案: 【 -4】
8、填空题:
如下电路图所示,计算电路图中的Uab= V。

答案: 【 -18】
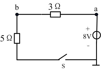
9、填空题:
计算下图中,当S打开时的φa= V.

答案: 【 0】
10、填空题:
计算下图中,当闭合时的φa= V.

答案: 【 8】
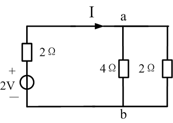
电路的等效变换单元测验
1、单选题:
计算下图中,当S闭合时,Uab= V。

选项:
A: 1
B: 2
C: 3
D: 4
答案: 【 3】
2、单选题:
如图所示,求电路中I2= A。

选项:
A: 1
B: 2
C: 3
D: 4
答案: 【 1】
3、单选题:
如图所示,求电路中的电压Uab= V。

选项:
A: 3
B: 4
C: 5
D: 6
答案: 【 6】
4、单选题:
无源二端网络:如果电路中没有 则称为无源二端网络,例如:电阻的串联、并联、混联电路就属于无源二端网络。
选项:
A: 电阻
B: 电流
C: 电压
D: 电源
答案: 【 电源】
5、单选题:
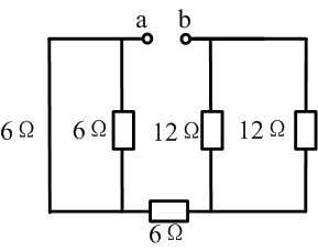
在下图中,选取o点为参考点。已知 Udo=Us= 10V,φa= 7 V,φc = 2V 。求: φb= V。

选项:
A: 4
B: 5
C: 6
D: 7
答案: 【 7】
6、多选题:
电阻电路:仅由 和 构成的电路称为线性电阻电路简称电阻电路。
选项:
A: 电源
B: 灯泡
C: 线性电阻
D: 电机
答案: 【 电源;
线性电阻】
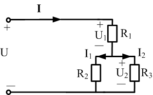
7、多选题:
如图所示,求电路中I1= A、Rab= Ω、Gab= S。

选项:
A: 0.5
B: 10
C: 0.1
D: 1
答案: 【 0.5;
10;
0.1】
8、多选题:
如图所示电路图,求电流I= A,Uab= V。

选项:
A: 0.5
B: 0.6
C: 0.7
D: 0.8
答案: 【 0.6;
0.8】
9、判断题:
将下面的电阻网络化减成为一个电阻,作图并标出其电阻值,是否正确?


选项:
A: 正确
B: 错误
答案: 【 正确】
10、判断题:
两个相同阻值的电阻并联,其等效的总电阻值等于每个电阻值的一半。
选项:
A: 正确
B: 错误
答案: 【 正确】
11、判断题:
并联电路中,各支路的端电压相等。
选项:
A: 正确
B: 错误
答案: 【 正确】
12、判断题:
当端口电压一定时,所串电阻越多,电流越小,故串联电阻可以限流。
选项:
A: 正确
B: 错误
答案: 【 正确】
13、判断题:
等效变换:等效网络对外部电路具有完全相同的影响,可互相替代,这种替代称为等效变换,等效变换可以吧复杂电路化为简单电路。
选项:
A: 正确
B: 错误
答案: 【 正确】
14、填空题:
计算下图中,当S打开时,Uab= V。

答案: 【 0】
15、填空题:
如图所示,求电路中IGab= S。(填写小数形式,保留小数点1位)

答案: 【 0.1】
16、填空题:
有源二端网络:二端网络中,如果含有 就称为有源二端网络。
答案: 【 电源】
电阻串联电路安装与测量随堂测验
1、单选题:
电阻串联电路:几个电阻首尾相连,各电阻流过同一 的连接方式,称为电阻的串联。
选项:
A: 电压
B: 功率
C: 电流
D: 水流
答案: 【 电流】
2、多选题:
串联电路两端的总电压等于各电阻两端分电压 ,电阻串联电路总电压 任何一个分电压。
选项:
A: 之和
B: 之差
C: 大于
D: 等于
答案: 【 之和;
大于】
3、判断题:
电阻串联电路的特点:串联电路中,不论各电阻的数值是否相等,通过各电阻的电流为同一电流。
选项:
A: 正确
B: 错误
答案: 【 正确】
4、判断题:
串联电路中,各电阻上的电压与它们的阻值成正比,即电阻值越大,其分的电压值就越大
选项:
A: 正确
B: 错误
答案: 【 正确】
5、判断题:
电阻串联电路的总功率P等于消耗在各串联电阻上的功率之和,功率的大小均与电阻的大小成反比,即电阻值越大消耗功率越小。
选项:
A: 正确
B: 错误
答案: 【 错误】
6、判断题:
当端口电压一定时,所串电阻越多,电流越小,故串联电阻可以限流。
选项:
A: 正确
B: 错误
答案: 【 正确】
7、判断题:
由三只电阻串联,其阻值比为1 :2 :3,则其功率比为1 :2 :3。
选项:
A: 正确
B: 错误
答案: 【 正确】
8、判断题:
在串联电路中,各处的电流强度不一定相等。
选项:
A: 正确
B: 错误
答案: 【 错误】
9、判断题:
联电路中,各电阻上的电压与它们的阻值成正比,即电阻值越大,其分的电压值就越大。
选项:
A: 正确
B: 错误
答案: 【 正确】
10、填空题:
串联电路的总电阻(等效电阻)等于各电阻串联之 ,电阻串联电路的总电阻大于任何一个分电阻。
答案: 【 和】
电阻混联电路分析与测量随堂测验
1、单选题:
如图所示,已知R1=6Ω,R2=4Ω,R3=12Ω,外加电压U=9V,求总电流I A。

选项:
A: 1
B: 2
C: 3
D: 4
答案: 【 1】
2、多选题:
混联电路分析的一般步骤为()。
选项:
A: 求混联电路的等效电阻
B: 求混联电路的总电流
C: 求各部分的电压、电流和功率
D: 因为太复杂,无法求解分析
答案: 【 求混联电路的等效电阻;
求混联电路的总电流;
求各部分的电压、电流和功率】
3、判断题:
电阻混联:电路中既有电阻串联又有电阻并联的电路叫做混联电路。
选项:
A: 正确
B: 错误
答案: 【 正确】
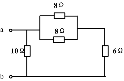
4、填空题:
如图所示,电路中等效电阻Rab= Ω。

答案: 【 5】
5、填空题:
如图所示,求点电路的等效电阻 Ω 。

答案: 【 6】
6、填空题:
如下图所示,请求出电路的等效电阻为 Ω。

答案: 【 8】
7、填空题:
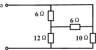
如下图所示,请求出电路图中的等效电阻为 Ω。

答案: 【
